生物油流量計產品概述
LWGY型渦輪流量計是一種精密流量測量儀表,與相應的流量積算儀表配套可用于測量液體的流量和總量。廣泛用于石油、化工、冶金、科研等領域的計量、控制系統。配備有衛生接頭的渦輪流量計可以應用于制藥行業。
渦輪流量計結構為防爆設計,可以顯示流量總量,瞬時流量和流量滿度百分比。電池采用長效鋰電池,單功能積算表電池使用壽命可達5年以上,多功能顯示表電池使用壽命也可達到12個月以上。
渦輪流量計可以顯示的流量單位眾多,有立方米,加侖,升,標準立方米,標準升等,可以設定固定壓力、溫度參數對氣體進行補償,對壓力和溫度參數變化不大的場合,可使用該儀表進行固定補償積算。

生物油流量計產品特點
1、無可動部件,長期穩定,結構簡單便于安裝和維護;
2、高精度,一般可達±1%R、±0.5%R,高精度型可達±0.2%R;
3、重復性好,短期重復性可達0.05%~0.2%
4、輸出脈沖頻率信號,適用總量計量及與計算機連接,無零點漂移,抗干擾能力強;
5、可獲得很高的頻率信號(3~4kHz),信號分辨力強;
6、范圍度款,中大口徑可達1:20,小口徑為1:10;
7、結構緊湊輕巧,安裝維護方便,流通能力大;
8、適用高壓測量,儀表表體上不必開孔,易制成高壓型儀表;
9、專用型傳感器類型多,可根據用戶特殊需要設計為各類專用型傳感器,例如低溫型、雙向型、井下型、混砂專用型等;
10、可制成插入型,適用于大口徑測量,壓力損失小,價格低,可不斷流取出,安裝維護方便。
生物油流量計基本參數
1、執行標準:渦輪流量傳感器(JB/T9246-1999)
2、儀表口徑(mm)及連接方式:4、6、10、15、20、25、32、40、50、65、80采用螺紋連接
3、精度等級:±1%R、±0.5%R、±0.2%R(需特制)
4、量程比:1:10;1:15;1:20
5、傳感器材質:304不銹鋼、316(L)不銹鋼等
6、使用條件:介質溫度:-20℃~+120℃,環境溫度:-20℃~+60℃
7、相對濕度:5%~90%
8、大氣壓力:86Kpa~106Kpa
9、信號輸出功能:脈沖信號、4~20mA信號
10、通訊輸出功能:RS485通訊、HART協議等
11、工作電源:外電源:+24VDC±15%,紋波≤±5%,適用于4-20mA輸出、脈沖輸出、RS485等,內電源:1組3.0V10AH鋰電池,電池電壓在2.0V~3.0V時均可正常工作。
12、信號線接口:基本型:豪斯曼接頭或自帶三芯線纜;防爆型:內螺紋M20*1.5
13、防爆等級:ExiaIICT4或ExdIIBT6
14、防護等級:IP65或更高(可訂制)
生物油流量計工作原理
流體流經傳感器殼體,由于葉輪的葉片與流向有一定的角度,流體的沖力使葉片具有轉動力矩,克服摩擦力矩和流體阻力之后葉片旋轉,在力矩平衡后轉速穩定,在一定的條件下,轉速與流速成正比,由于葉片有導磁性,它處于信號檢測器(由永久磁鋼和線圈組成)的磁場中,旋轉的葉片切割磁力線,周期性的改變著線圈的磁通量,從而使線圈兩端感應出電脈沖信號,此信號經過放大器的放大整形,形成有一定幅度的連續的矩形脈沖波,可遠傳至顯示儀表,顯示出流體的瞬時流量或總量。在一定的流量范圍內,脈沖頻率f與流經傳感器的流體的瞬時流量Q成正比,流量方程為:
式中:
f--脈沖頻率[Hz]
k--傳感器的儀表系數[1/m3],由校驗單給出。
Q--流體的瞬時流量(工作狀態下)[m3/h]
3600--秒時換算系數
每臺傳感器的儀表系數由制造廠填寫在檢定**中,k值設入配套的顯示儀表中,便可顯示出瞬時流量和累積總量。
生物油流量計流量范圍

生物油流量計外形尺寸


生物油流量計安裝
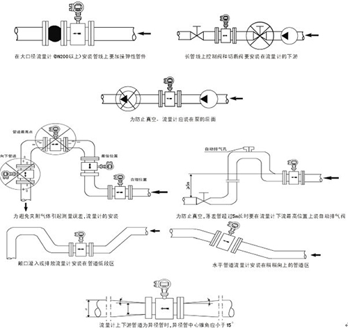
為了確保渦輪流量計的測量準確,必須正確地選擇安裝位置和方法
1、對直管段的要求:流量計必須水平安裝在管道上(管道傾斜在5以內),安裝時流量計軸線應與管道軸線同心,流向要一致。 流量計上游管道長度應有不小于2D的等徑直管段,如果安裝場所充許建議上游直管段為20D、下游為5D。
2、對配管的要求:流量計安裝點的上下游配管的內徑與流量計內徑相同。
3、對旁通管的要求:為了保證流量計檢修時不影響介質的正常使用,在流量計的前后管道上應安裝切斷閥門(截止閥),同時應設置旁通管道。流量控制閥要安裝在流量計的下游,流量計使用時上游所裝的截止閥必須全開,避免上游部分的流體產生不穩流現象。
4、對外部環境的要求:流量計*好安裝在室內,必須要安裝在室外時,一定要采用防曬、防雨.防雷措施,以免影響使用壽命。
5、對介質中含有雜質的要求:為了保證流量計的使用壽命,應在流量計的直管段前安裝過濾器。
6、安裝場所:流量計應安裝在便于維修,無強電磁干擾與熱輻射的場所。
7、對安裝焊接的要求:用戶另配一對標準法蘭焊在前后管道上。不允許帶流量計焊接! 安裝流量計前應嚴格清除管道中焊渣等臟物,*好用等徑的管道(或旁通管)代替流量計進行吹掃管道。以確保在使用過程中流量計不受損壞。 安裝流量計時,法蘭間的密封墊片不能凹入管道內。
8、渦輪流量計接地的要求:流量計應可靠接地,不能與強電系統地線共用。
9、對于防爆型產品的要求:為了儀表安全正常使用,應復核防爆型流量計的使用環境是否與用戶防爆要求規定相符,且安裝使用過程中,應嚴格遵守**防爆型產品使用要求,用戶不得自行更改防爆系統的連接方式,不得隨意打開儀表。
10、選型在規定的流量范圍內,防止超速運行,以保證獲得理想準確度和保證正常使用壽命。 安裝流量計前應清理管道內雜物:碎片、焊渣、石塊、粉塵等推薦在上游安裝5微米篩孔的過濾器用于阻擋液滴和沙粒。
11、流量計投運時應緩慢地先開啟前閥門,后開啟后閥門,防止瞬間氣流沖擊而損害渦輪。 加潤滑油應按告示*操作,加油的次數依氣質潔凈程度而定,通常每年2-3次。由于試壓、吹掃管道或排氣造成渦輪超速運轉,以及渦輪在反向流中運轉都會可能使流量計損壞。
12、流量計運行時不允許隨意打開前.后蓋,更動內部有關參數,否則將影響流量計的正常運行。 小心安裝墊片,確保沒有突出物進入管道,以防止干擾正常的流量測量。 流量計在標定時要在流量計取壓口上采集壓力。

上一篇:導熱油流量計|液體渦輪式
下一篇:齒輪油流量計|智能液體渦輪式